Peta ini memuat informasi tentang. 100 sampai dengan 1.
Opc Amp Fpc Pembuatan Sari Buah Apel Ukm Brosem Silvie Blog
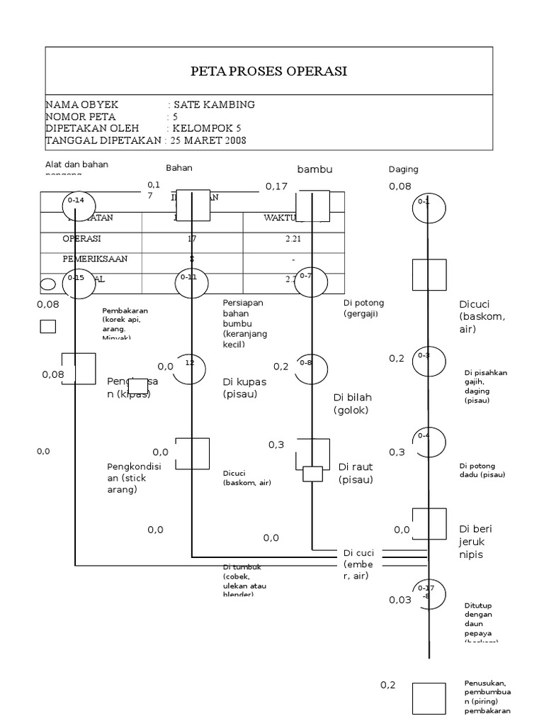
Contoh peta proses operasi. Peta kadaster sangat besar adalah jenis peta yang berskala 1. Waktu yang dihabiskan material yang digunakan dan tempat atau alat mesin yang dipakai. Menurut sutalaksana 2006 peta proses operasi merupakan suatu diagram yang menggambarkan langkah langkah proses yang akan dialami bahan bahan baku mengenai urutan urutan operasi dan pemeriksaan dari tahap awal sampai menjadi produk jadi atau komponen dan memuat informasi informasi yang diperlukan untuk menganalisis lebih lanjut seperti waktu material tempat alat dan mesin yang digunakan. Menurut sutalaksana 2006 peta proses operasi merupakan suatu diagram yang menggambarkan langkah langkah proses yang akan dialami bahan bahan baku mengenai urutan urutan operasi dan pemeriksaan dari tahap awal sampai menjadi produk jadi atau komponen dan memuat informasi informasi yang diperlukan untuk menganalisis lebih lanjut seperti waktu material tempat alat dan mesin yang digunakan. Persiapan material kayu kaarton tebal dll. Peta aliran proses menganalisis setiap komponen yang diproses secara lebih lengkap dibanding peta operasi proses memungkinkan untuk digunakan disetiap proses atau prosedur baik di pabrik atau di kantor.
Peta proses operasi menunjukkan urutan operasi inspeksi kelonggaran. Contoh peta proses operasi. Peta sedang adalah jenis peta yang berskala 1. Peta besar adalah jenis peta yang berskala 1. Pada peta pertanahan peta pertambangan. Sebagai konsekuensinya peta aliran proses tidak bisa digunakan untuk menggambarkan proses perakitan secara keseluruhan.
Suatu peta proses operasi menggambarkan langkah langkah operasi dan pemeriksaan yang dialami oleh bahan dalam urutannya sejak awal sampai menjadi produk jadi utuh maupun sebagai bagian setengah jadi. 250000 sampai dengan 1. Peta proses operasi juga membuat informasi informasi untuk analisa lebih lanjut seperti waktu yang diperlukan untuk mengerjakan produk dari awal hingga akhir material yang digunakan juga bahan baku atau material yang digunakan juga bahan atau material tambahan yang akan diperlukan suatu saat. Waktu dan material yang digunakan dalam proses bisnis atau manufaktur dari raw material sampai dengan packaging produk jadi. 5000 sampai dengan 1. Pengkuran kayupengukuran kayu terbagi menjadi dua lapisukuran kayu luar dan dalamukuran kayu luar yaitu 235 cm x 22 cm dengan ketebalan 6 mm dua buah.
Contoh jenis peta peta kerja keseluruhan teknik industri. Mulai dari perakitan pemasangan bagian dan lain lain. Academiaedu is a platform for academics to share research papers. Definisi dari peta proses operasi adalah langkah langkah operasi dan pemeriksaan yang dialami bahan dalam urutan urutannya sejak awal sampai menjadi barang jadijadi maksudnya dari peta proses operasi ini adalah peta ini akan menjelaskan semua langkah yang akan dibuat untuk membuat suatu produk.
















